8 (925) 663-83-63Call-центр
пн-вс: 10:00-19:00
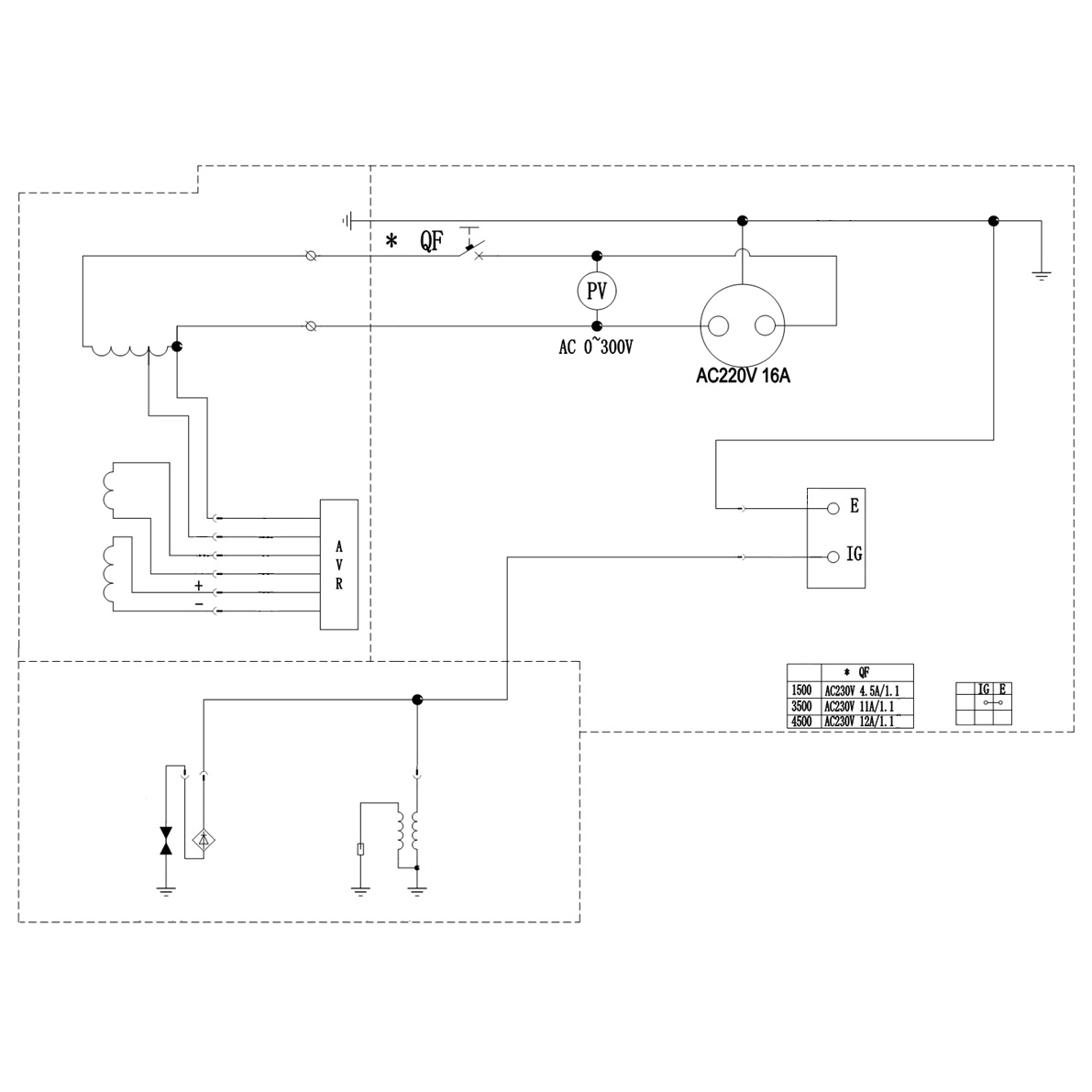
Данная модель имеет несколько схем
| Найдено товаров: 81 |
|
8 (925) 663-83-63 Call-центр
пн-вс: 10:00-19:00
| Введите номер заказа |
| Введите номер своего заказа, что бы узнать его текущий статус. Что бы получить доступ к расширенным функциям, пройдите не сложную регистрацию. Зарегистрироваться |